-
Product and Solution
Product and SolutionSingle Point Wall Mounted DetectorRespiration Protection EquipmentSuppressed Air Pump
- Industries
- Service and Support
- FAQ
- Company
DT-04 series gas alarm monitor is a two-wire, three-wire 4-20mA analogue signal or RS485 bus output fixed gas detection probe developed by our company, which adopts imported gas sensors and has the features of short response time, high accuracy, stable operation and strong anti-interference.
It can be connected with various types of detecting controllers produced by our company such as POLYMCS series, DK series, etc. It can also be directly connected to the DCS or PLC system on site to realise the monitoring, alarming and controlling of hazardous gases in the production environment.The DT-04 series of stationary gas transmitters can detect more than twenty kinds of gases and have a high cost performance, which can be applied in metallurgy, petroleum, chemical industry, metallurgy, petroleum, chemical industry, fire fighting, electric power, industrial and mining, municipal and other industries, gas monitoring in a variety of places.
| Technical Parameters | |
|---|---|
| Detection Principle | Electrochemical |
| Ambient Temperature | -40℃~+70℃(limit value) |
| Transmission distance | 3000m (can be relayed) |
| Connection cable | 2-core shielded cable |
| Alarm range | primary alarm: 0-full scale adjustable Secondary alarm: 0-full range adjustable |
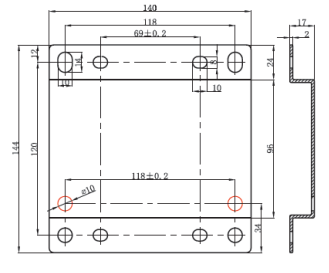
| Overall dimensions | 184 (L) × 164 (W) × 109 (H) mm; mounting hole distance 118. Mounting hole Ф10 |
| Weight | <3.0kg |
| Shell material | Die-casting aluminium |
| Display mode | Without display (standard), LCD (optional) |
| Ambient pressure | 80kpa~106kpa |
| Ambient humidity | 0~95%RH (no condensation) |
| Protection class | IP66 |
| Sensor | Smart Sensor |
| Explosion-proof mark | Exd IIC T6 Gb;ExtDA21 IP66 T80°C |
| Load impedance | 600Ω |
| Installation method | 2' riser/wall mounting |
| Electrical connection | M20×1.5 (internal) |
| Output signal | (4-20)mA |
| Maximum power | 22mA 24VDC |
| Power supply | 24VDC |
| Sampling method | Diffusion |
| Mounting and mounting plate dimensions | |
Send You Message Send You Message