首页 > Product and Solution > DT Fixed Gas Detector > DT-18 Gas Detector
DT-18 Gas Detector
Product Overview

DT-18 series gas alarm monitors are designed with stable sensors and the most advanced industrial microprocessor modules. It can be widely used in metallurgy, petroleum, fire-fighting, electric power, industrial and mining, municipal and refineries, chemical plants and other places prone to gas leakage. And these places for long-term uninterrupted monitoring, is to ensure personal safety and factory safety is an important monitoring instrument. The detector will be dangerous range of toxic gas concentration signal into a variety of industrial standard signal output, and can be used in conjunction with a variety of alarm host controllers produced by our company.

Basic parameter
DT-18 Gas Detector - Basic parameter
Technical Parameters
Detection Principle Electrochemical, NDIR Infrared, PID, Catalytic Combustion
Sensor Smart Sensor
Power Supply 24VDC
Maximum Power 60mA@24VDC
Output Signal (4-20)mA (default), RS485,CAN-BUS (optional)
Communication Protocol MODBUS or other protocols
Electrical Interface NPT3/4(internal)
Installation 2" riser/wall mounting
Load impedance 600Ω
Explosion-proof marking Exd IIC T6 Gb;ExtDA21 IP66 T80℃
IP Rating IP66
Ambient temperature -40℃~+70℃ (limit value)
Ambient temperature 0~95%RH (no condensation)
Ambient pressure 80kpa~106kpa
Display mode OLED display and Sound and light alarm indication
Shell material Die-casting aluminium
Weight <3.0kg
Overall dimensions 247 (L) × 222 (W) × 128 (H) mm
Connection cable 3-core shielded cable or 4-core shielded cable
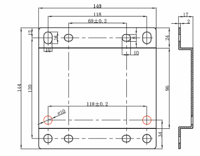
Mounting and mounting plate dimensions
Electrical connection Diagram
COMPANY PROFILE
Connect With Our Experts Now
Please type your message and our team will get back to you shortly.

All rights reserved @ Beijing Dekangzhengtai Sci and Tech Co. Ltd. Beijing ICP Record No. 05043776